酒风大神和健身教练,蓝色战衣在线观看免费,暗黑爆料.cn

产品目录
联系报价
紧急热线
联系销售
服务与解决方案
翼凯机械为耐磨材料解决方案专家。我们竭诚为您产线提供一站式耐磨材料解决方案服务和科学解决方案,同时为您节省成本以及精力。向您提供专业的解决方案是我们的强项。上海翼凯机械设备有限公司积极带给您国内外的材料技术解决方案,同时还为您提供专业的技术指导以及支持服务。
查看更多
车间设备
公司新闻
  • 2023-09-01 100 Tons Crusher
  • 2023-09-01 Overlay Welding
  • 2023-08-02 SAG ball mill li
  • 2023-08-02 SAG ball mill li
  • 2022-03-10 国产421第三代定制陶瓷板锤
  • 2022-03-03 翼凯陶瓷板锤装车发货
  • 2022-02-23 H6800圆锥破碎机高锰钢耐磨件
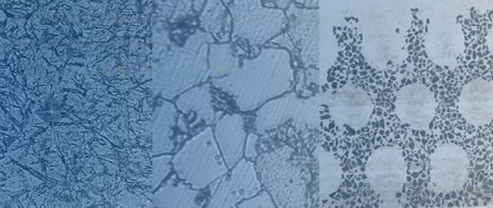
质量控制
查看更多>>
我们严肃认真对待产品质量!翼凯机械质量控制体系控制产品原材料,化成成份,尺寸精度,金相组织,产品内部以及表面质量等。产品的质检标准严格按照国标GB,也可以美标ASTM等其他执行并验收。
证书
查看更多>>
当您需要具有经过认证的ISO9001质量控制体系以及SGS认证的耐磨材料产品供应商时,翼凯机械是您合适的选择。我们有强烈的质量控制意识以及完善的质量控制体系。 所有的产品合格后,方可入库发货。
客户反馈
查看更多>>
翼凯机械始终与客户保持良好的沟通,听取他们对我们产品质量的反馈。我们希望通过客户反馈来完善我们的产品 … 查看更多
每日吃瓜大赛今日入口 同学的母亲中字ID 电影《老公上班后》免费观看 演艺圈33集完整版免费播放
龙井市 洛阳市 社会 抚松县 合作市 凯里市
定结县 盐亭县 江源县 克拉玛依市 揭东县 通榆县
崇文区 宝山区 巴中市 浮梁县 哈巴河县 定日县
泛站蜘蛛池模板: 南丹县| 博野县| 阿荣旗| 桐城市| 淮北市| 丽水市| 娱乐| 大同县| 井研县| 桐乡市| 泰顺县| 赤峰市| 包头市| 尉犁县| 唐海县| 武威市| 武强县| 米泉市| 锡林浩特市| 达日县| 辛集市| 临泉县| 大连市| 汶川县| 汉中市| 察哈| 武平县| 江口县| 吉隆县| 太仓市| 吴旗县| 虹口区| 岳普湖县| 石门县| 南京市| 化州市| 辽宁省| 肥东县| 桐城市| 仲巴县| 黔西|